Esta idea esta basada en un tipo de Muelle muy específico, el MUELLE DE TORSIÓN:
- Un resorte de torsión es un resorte que trabaja a torsión o girando, esto es, mediante la elasticidad es capaz de almacenar energía mecánica cuando es girado y puede devolverla cuando se libera en forma de giro.
- La cantidad de fuerza que libera es proporcional a la cantidad total que sea girado.
- Existen dos tipos:
- La barra de torsión es una barra recta y rígida de metal o goma que se gira absorbiendo la fuerza mediante tensión cortante alrededor de su eje al ejercer un esfuerzo de torsión en uno de sus extremos. De este tipo deriva otro más delicado llamado la fibra de torsión que consiste en una fibra de cristal, cuarzo fundido o seda en tensión, que es retorcido sobre su eje y que se usa en aparatos sensibles.
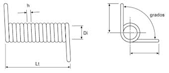
- El otro tipo es el resorte helicoidal de torsión, que se compone de un hilo metálico o de cable enrollado en forma de hélice sobre el cual se ejercen momentos flectores en los extremos. Aunque la hélice completa pueda considerarse como un tornillo sometido a torsión, en realidad el hilo no está sometido a torsión por lo que la terminología puede resultar confusa
Bien la idea es muy simple, se trata de que .... cuando el discapacitado baje y por lo tanto, se desplace por la fuerza de la gravedad en su Silla de Ruedas MANUAL (lógicamente hacia abajo en desniveles uno mas alto que otro),desembrague un mecanismo que frene la inercia producida por la gravedad , UTILIZANDO un MUELLE DE TORSIÓN.
Los muelles de Torsión que podrían utilizarse serían de dos tipos:
- PRIMER TIPO:
- SEGUNDO TIPO:
Con esta acción hemos conseguido dos beneficios:
- Que la Silla de Ruedas frene gracias a este muelle de torsión, generando mas control, seguridad y menos esfuerzo físico para el discapacitado
- Volviendo a embragar el mecanismo, consiga Energía mecánica acumulada a través del muelle enrollado. Cuando no pueda desplazar esta silla de ruedas con sus propias manos en cuestas o por deficiencia física en las manos "motrices".
El mecanismo que embraga y desembraga el muelle de torsión, tiene que ser relativamente sencillo de implantar en el eje de la silla de ruedas manual así como su accionamiento, parecido, me imagino, al de una bicicleta (esta idea la implantare también para bicicletas próximamente), eso se lo dejo a los señores ingenieros, que seguro lo sabrán ejecutar a la perfección, yo no tengo tiempo de investigarlo.
Hasta otra!!
.






