Esta idea esta basada en un tipo de Muelle muy espec铆fico, el聽MUELLE DE聽TORSI脫N:
- Un聽resorte de torsi贸n聽es un resorte que trabaja a torsi贸n o girando, esto es, mediante la elasticidad es capaz de almacenar energ铆a mec谩nica cuando es girado y puede devolverla cuando se libera en forma de giro. 聽 聽
- La cantidad de fuerza que libera聽es proporcional a la cantidad total que sea girado.聽
- Existen dos tipos:聽
- La barra de torsi贸n聽es una barra recta y r铆gida de metal o goma que se gira absorbiendo la fuerza mediante tensi贸n cortante alrededor de su eje al ejercer un esfuerzo de torsi贸n en uno de sus extremos. De este tipo deriva otro m谩s delicado llamado la fibra de torsi贸n que consiste en una fibra de cristal, cuarzo fundido o seda en tensi贸n, que es retorcido sobre su eje y que se usa en aparatos sensibles.聽
- El otro tipo es el聽resorte helicoidal de torsi贸n, que se compone de un hilo met谩lico o de cable enrollado en forma de h茅lice sobre el cual se ejercen momentos flectores en los extremos. Aunque la h茅lice completa pueda considerarse como un tornillo sometido a torsi贸n, en realidad el hilo no est谩 sometido a torsi贸n por lo que la terminolog铆a puede resultar confusa
聽
Bien la idea es muy simple, se trata de que ....聽cuando el discapacitado baje y por lo tanto, se desplace por la fuerza de la gravedad en su聽Silla de Ruedas MANUAL聽(l贸gicamente聽hacia abajo en desniveles uno mas alto que otro),desembrague un mecanismo聽que聽frene la inercia聽producida por la gravedad , UTILIZANDO un聽MUELLE DE聽TORSI脫N.
Los 聽muelles de聽Torsi贸n聽que聽podr铆an聽utilizarse ser铆an de dos tipos:
聽
聽
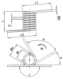
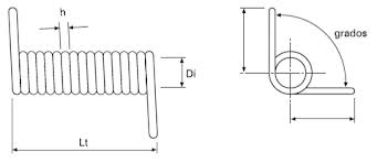
- PRIMER TIPO:聽
聽
聽
聽
- SEGUNDO TIPO:
聽
聽
聽
聽 聽 聽 聽 聽 聽 聽 聽 聽 聽 聽 聽 聽 聽 聽 聽
聽
聽
聽
聽
Con esta acci贸n hemos conseguido dos beneficios:
- Que la Silla de Ruedas聽frene聽gracias a este muelle de torsi贸n, generando mas control, seguridad y menos esfuerzo f铆sico para el discapacitado
- Volviendo a embragar el mecanismo, consiga聽Energ铆a聽mec谩nica聽acumulada a聽trav茅s聽del muelle enrollado. 聽 Cuando no pueda desplazar esta silla de ruedas con sus propias manos en cuestas o por deficiencia聽f铆sica聽en las manos "motrices".
聽
聽
聽
聽
聽
聽
聽
聽
聽
El mecanismo que embraga y desembraga el muelle de torsi贸n, tiene que ser relativamente sencillo de implantar en el eje de la silla de ruedas manual聽as铆聽como su accionamiento, parecido, me imagino, al de una bicicleta (esta idea la implantare聽tambi茅n聽para bicicletas聽pr贸ximamente), eso se lo dejo a los se帽ores ingenieros, que seguro lo聽sabr谩n聽ejecutar a la聽perfecci贸n, yo no tengo tiempo de investigarlo.
聽
聽
Hasta otra!!
.
聽






